사이트 메뉴
회사소개
인사말
연혁
인증서
오시는 길
제품소개
BUZZER
ALARM/SIREN
SPEAKER
C-MIC
I.C/전자부품
CABLE(OEM)
견적문의
견적문의
기술지원/갤러리
기술지원
갤러리
제품소개
BUZZER
Alarm/Siren
SPEAKER
C-mic
I.C/전자부품
Cable(oem)
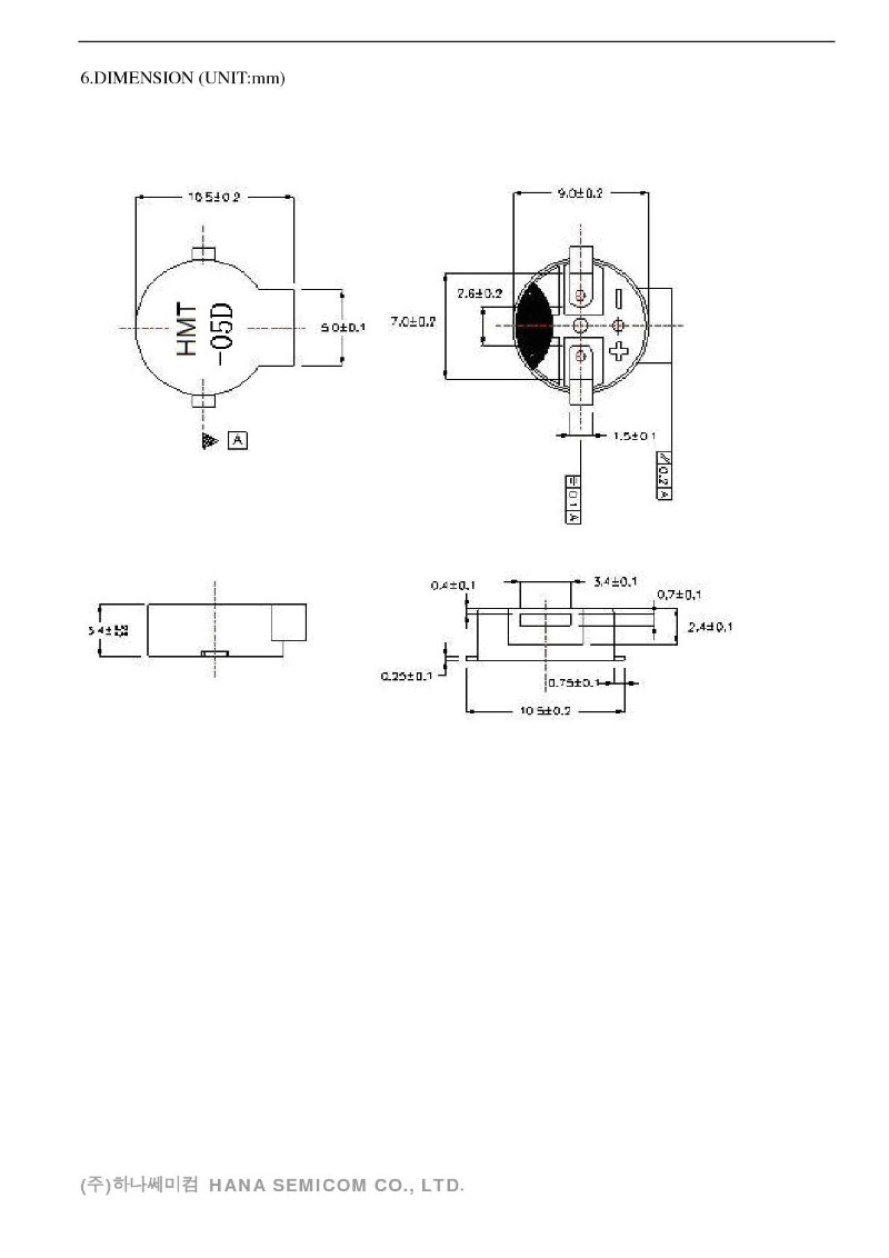
HMT-05D
품명
HMT-05D
W*L*H(mm)
9Φ * 2.7h
input(V)
5V
S.P.L(dB)
85dB
conn
SMD
HMT-05D